Typical applications
Select a typical application to view the associated one line diagram, functions, and product order codes.
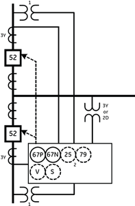
Directional Overcurrent

Typical Functions
67P | Phase directional overcurrent |
67N | Neutral directional overcurrent |
25 | Synchrocheck |
79 | Reclosing |
V, S | Voltage and Power metering |
Functions | Typical Product Order Code |
---|---|
Typical Functions | F60-N00-HCH-F8L-H6P-MXX-PXX-UXX-WXX |
Alternative | D30-N00-HCH-F8L-H6P-MXX-PXX-UXX-WXX |
HardFiber IEC 61850 Process Bus | F60-N00-HCH-FXX-H81-MXX-PXX-UXX-WXX D30-N00-HCH-FXX-H81-MXX-PXX-UXX-WXX |
Directional Overcurrent - Dual Breaker

Typical Functions
67P | Phase directional overcurrent |
67N | Neutral directional overcurrent |
25 | Synchrocheck |
79 | Reclosing |
V, S | Voltage and Power metering |
Functions | Typical Product Order Code |
---|---|
Typical Functions | D60-N02-HCH-F8L-H6P-M8L-PXX-UXX-WXX |
External summation of breaker currents (traditional method) | F60-N00-HCH-F8L-H6P-MXX-PXX-UXX-WXX D30-N00-HCH-F8L-H6P-MXX-PXX-UXX-WXX D60-N00-HCH-F8L-H6P-MXX-PXX-UXX-WXX |
HardFiber IEC 61850 Process Bus | F60-N00-HCH-FXX-H81-MXX-PXX-UXX-WXX D30-N00-HCH-FXX-H81-MXX-PXX-UXX-WXX D60-N00-HCH-FXX-H81-MXX-PXX-UXX-WXX |
Stepped-Distance Protection

Typical Functions
21P | Phase distance Ground distance Phase |
21G | directional overcurrent Neutral |
67P | directional overcurrent Breaker Failure |
67N | Synchrocheck Reclosing Voltage and Power metering |
50BF | |
25 | |
79 | |
V, S |
Functions | Typical Product Order Code |
---|---|
Typical Functions | D30-N00-HCH-F8L-H6P-MXX-PXX-UXX-WXX |
Alternative Models | D60-N00-HCH-F8L-H6P-MXX-PXX-UXX-WXX D90P-AE-SS01SSS-XHXAXAXX01X |
Synchrophasors | D60-N06-HCH-F8L-H6P-MXX-PXX-UXX-WXX D90P-AE-SS01PSS-XHXAXAXX01X |
HardFiber IEC 61850 Process Bus | D60-N00-HCH-FXX-H81-MXX-PXX-UXX-WXX D30-N00-HCH-FXX-H81-MXX-PXX-UXX-WXX |
Stepped-Distance Protection - Dual Breaker

Typical Functions
21P | Phase distance |
21G | Ground distance |
67P | Phase directional overcurrent Neutral |
67N | directional |
50BF | overcurrent |
25 | Breaker Failure |
79 | Synchrocheck |
V, S | Reclosing Voltage and Power metering |
Functions | Typical Product Order Code |
---|---|
Typical Functions | D60-N02-HCH-F8L-H6P-M8L-PXX-UXX-WXX D90P-AE-SS01SSS-XHXAXAXX01X |
External summation of breaker currents (traditional method) | D30-N00-HCH-F8L-H6P-MXX-PXX-UXX-WXX D60-N00-HCH-F8L-H6P-MXX-PXX-UXX-WXX |
Synchrophasors | D60-N08-HCH-F8L-H6P-M8L-PXX-UXX-WXX D90P-AE-SS01PSS-XHXAXAXX01X |
HardFiber IEC 61850 Process Bus | D60-N00-HCH-FXX-H81-MXX-PXX-UXX-WXX |