February 24, 2025
In 2016, GE Vernova’s Power Conversion & Storage business delivered and commissioned the SFC systems for the Moreton Bay Rail link project in Australia. This was the first implementation of SFC technology in an Australian metropolitan rail network.
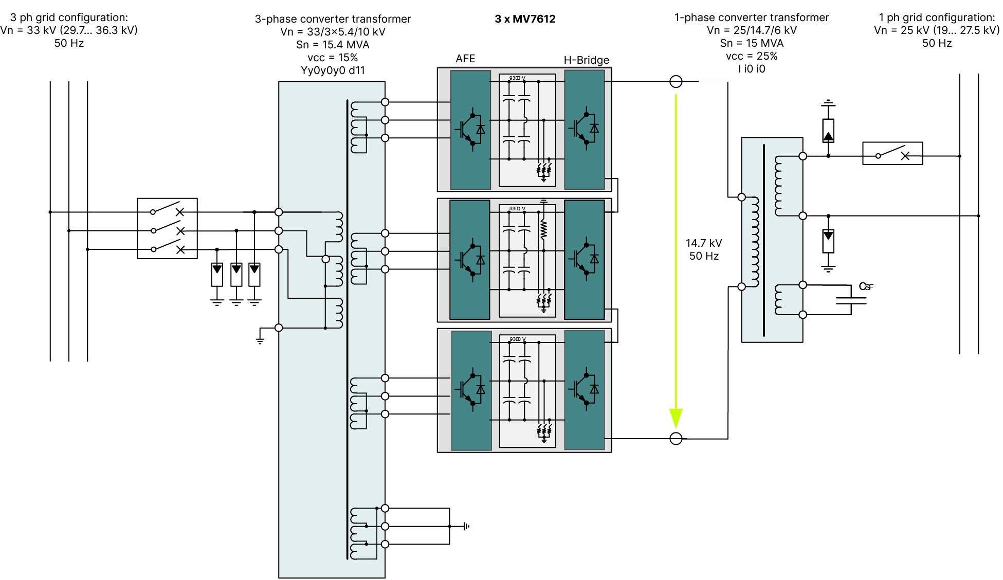
System overview
The project encompassed two independent feeder stations, each featuring a 15 MVA converter system based on Power Conversion & Storage’s proven MV7000 converter technology.
These converters are housed within a transportable substation building, which includes a control room, while additional supporting equipment is located externally.
A single converter block comprises the following main components:
- Input 3-phase 4QS sub-inverter with three single-phase modules
- DC link with an extensive capacitance
- Output 1-phase 4QS sub-inverter with two phase modules
The core components of each sub-inverter are the press-pack IGBT modules, arranged in two phase segments and equipped with a patented pull-out mechanism, including the IGBT control amplifiers.

SFC system details
Transformer
The converter system design necessitates the installation of two transformers for each converter block. Both transformers are intended for outdoor installation and are equipped with an ONAN cooling system tailored for the hot weather conditions in Brisbane, Australia. The input transformer, rated at 33 kV and 50 Hz, features three output windings that directly supply the three inverter units. The output transformer increases the converter’s single-phase 14.7 kV output voltage to supply the railway with 25 kV at 50 Hz. A railway filter is connected to both the output of the railway transformer and its auxiliary winding
Cooling system
Each converter block is equipped with its own dedicated cooling system, which uses a glycol-water mixture to directly cool the power electronics. The cooling system is designed to operate in temperatures up to 45 degrees Celsius and features an enhanced water-air heat exchanger to manage the minimal temperature difference between the ambient air and the required inlet fluid temperature. Two water pumps are installed, offering 100% redundancy to ensure continuous circulation. These systems are monitored continuously, and the pumps are alternated every 24 hours.
Additional air conditioning is provided for the station premises
Control system
The internal converter control system enables the following operation modes:
- Standard control in all four quadrants,
- Phase shift operation, providing reactive power exclusively to the railway grid,
- Parallel operation with the existing standard 50 Hz railway feeding system,
- Isolated mode, where the system operates its own railway grid.
The control system supports both local and remote operation through a user-friendly HDM interface.

Proven expertise and local support
Opting for Power Conversion & Storage’s SFC technology offers several benefits:
- An unparalleled blend of proven static frequency converter technology, extensive global rail expertise, and localized support, including engineering, project management, and service,
- High efficiency and low operating costs,
- Single output transformer,
- High availability, due to a modular design and high degree of standardization,
- IGBT design optimized for highly dynamic loads,
- Maintenance-optimized design,
- Short commissioning time,
- Scalable concept
Technical specifications